Pompa cyrkulacyjna do c.w.u. TOP-Z 25/10 (1~230 V, PN 10, RG)

Pompa cyrkulacyjna do c.w.u. TOP-Z 25/10 (1~230 V, PN 10, RG)

Nazwa producenta: Wilo
Kod produktu: WILO 2061964
Kod producenta: 2061964
EAN: 4016322891987
8 667,81 zł brutto Na zamówienie
Razem:
8 667,81 zł brutto
Zapytaj o produkt

Ta pompa obiegowa jest przeznaczona tylko do wody użytkowej.
Możliwość zastosowania w instalacjach cyrkulacyjnych ciepłej wody użytkowej do zastosowań w przemyśle i technice budynków.
Niewymagająca konserwacji, bezdławnicowa pompa obiegowa z przyłączem gwintowanym lub kołnierzowym, możliwość wyboru stopnia prędkości obrotowej w celu dopasowania wydajności
*Wyposażenie i funkcje
*Ręczne dostosowanie wydajności pompy poprzez wybór 3 stopni prędkości obrotowej
*Pompy z silnikiem 1~:
**P2 do 90 W: Wewnętrzne zabezpieczenie przed niedopuszczalnie wysokimi temperaturami uzwojenia
**P2 = 180 W: Pełne zabezpieczenie silnika zapewnione przez styki ochronne uzwojenia w połączeniu z urządzeniem wyzwalającym
*Pompy z silnikiem 3~:
**P2 do 90 W: Wewnętrzne zabezpieczenie przed niedopuszczalnie wysokimi temperaturami uzwojenia
**P2 ? 180 W: Pełne zabezpieczenie silnika z wbudowanym wyzwalaczem elektronicznym
*Lampka sygnalizacji awarii
*Styk zbiorczej sygnalizacji awarii
*Świetlna sygnalizacja kierunku obrotów
*Napięcie zasilania 3~230 V z opcjonalną wtyczką przełączającą
*Korpus pompy z brązu lub żeliwa szarego (stal nierdzewna w zależności od typu)
*Kołnierz kombinowany PN 6/PN 10 (dla DN 40 do DN 65)
*Pokrywy izolacji termicznej
*Funkcje dodatkowe do dyspozycji po doposażeniu w moduł Protect C:
**Sygnalizacja awarii SSM jako bezpotencjałowy styk rozwierny
**Sygnalizacja pracy SBM jako bezpotencjałowy styk zwierny
**Wejście sterujące „Wyłączanie z priorytetem” przez zewnętrzny styk bezpotencjałowy (rozwierny)
**Wykrywanie blokady
**Pełne zabezpieczenie silnika z urządzeniem wyzwalającym
**Potwierdzenie usterki
*Zarządzanie pracą pomp podwójnych (dwie pompy pojedyncze zainstalowane równolegle): Praca/rezerwa (automatyczne przełączanie awaryjne/zależna od czasu naprzemienna praca pomp)
Dane eksploatacyjne
*temperatura przetłaczanej cieczy: -20 oC
*temperatura otoczenia: 0 oC
*Maks. ciśnienie robocze: 10 bar
*Max. dozwolona twardość całkowita w systemach cyrkulacyjnych ciepłej wody użytkowej: 3,57 mmol/l (20 odH) (3,21 mmol/l (18 odH) dla 20/4 + 25/6)
Dane silnika
*Generowanie zakłóceń:
*Odporność na zakłócenia:
*Przyłącze sieciowe:
*Pobór mocy: 335
*Prędkość obrotowa maks.: 2800 Obroty / min
*Prąd znamionowy: 1,62 A
*Stopień ochrony silnika:
*Dławik przewodu:
Materiały
*Korpus pompy:
*Wirnik:
*Wał: Stal nierdzewna
*Materiał łożysk: Węgiel spiekany, impregnowany żywicą
Wymiary montażowe
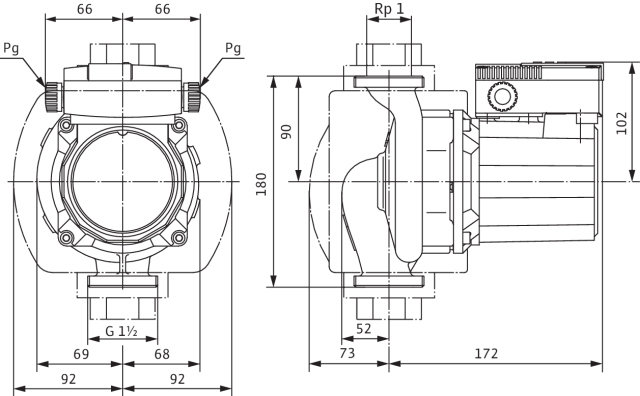
*Przyłącze gwintowane po stronie ssawnej: G 11/2
*Przyłącze gwintowane po stronie tłocznej: G 11/2
*Długość montażowa: 180 mm
Informacje na temat umiejscowienia zamówień
*Produkt:
*Nazwa produktu: TOP-Z 25/10 (1~230 V, PN 10, RG)
*Masa netto ok.: 6,7 kg
*Numer artykułu: 2061964
czytaj więcej

Dane techniczne

Prąd znamionowy [A]1.62
Prędkość obrotowa [obr/min]2900
Pobór mocy silnika (P1) [W]0.34
Pobór mocy przez pompę (solpump) [W]335
Pobór mocy przez pompę w trybie czuwania (solstandbypump) [W]150
Materiał wirnikaPolipropylen
Częstotliwość50 Hz
Stopień ochrony (IP)IPX4D
Klasa izolacji wg IECH
Liczba faz1
Temperatura otoczenia [°C]40
Zakres napięcia znamionowego [V]230
Maks. ciśnienie robocze [bar]10
Średnia temperatura (praca ciągła) [°C]80
Średnica zewnętrzna przyłącza od strony wylotowej [mm]40
Maks. wydajność (maks. przepływ) [m3/h]9.5
Maks. wysokość podnoszenia [m]9.345
Przepływ nominalny (BEP) [m3/h]4.136
Wysokość podnoszenia przy przepływie nominalnym (BEP) [kPa]73.74
Materiał korpusu pompyBrąz
Gatunek materiału korpusu pompyBrąz
Gatunek materiału wirnikaPP-GF
Przyłącze od strony wlotowejGwint zewnętrzny gazowy walcowy
Średnica nominalna przyłącza od strony wlotowej1 1/2 cala
Klasa ciśnienia kołnierza przyłącza wlotowegoPN 16
Rodzaj przyłącza wlotowegoISO 228-1
Przyłącze po stronie wylotowejGwint zewnętrzny gazowy walcowy
Średnica nominalna przyłącza od strony wylotowej1 1/2 cala
Klasa ciśnienia kołnierza przyłącza wylotowegoPN 16
Rodzaj przyłącza wylotowegoISO 228-1
Kształt końcówkiInne

Dane producenta

Wilo Polska Sp. z o.o. ul. Jedności 5 05-506 Lesznowola wilo.pl@wilo.com 

Outlet

Kontakt

al. Piłsudskiego 143, 92-236 Łódź
Godziny otwarcia

PN-PT 08:00 - 16:00

al. Piłsudskiego 143, 92-236 Łódź
Godziny otwarcia

PN-PT 07:00 - 16:00

Jak dojechać
al. Piłsudskiego 143, 92-236 Łódź
Godziny otwarcia

PN-PT 08:00 - 16:00

Jak dojechać
Zgłoszenie serwisowe on-line Wyślij zgłoszenie serwisowe